【新品】CBM24AD9X系列-高性能心电图及生物电势测量的理想选择
  • 发布时间:2024-06-20 15:44:23
  • 浏览次数 3557
在现代医疗科技的飞速发展中,精确的生物电势测量设备变得越来越重要。芯佰微电子推出的CBM24AD9X系列,是一款专为心电图(ECG)和其他生物电势测量设计的低噪声24位模数转换器(ADC),为医疗设备制造商提供了一个高性能、可靠且经济的解决方案。

在现代医疗科技的飞速发展中,精确的生物电势测量设备变得越来越重要。芯佰微电子推出的CBM24AD9X系列,是一款专为心电图(ECG)和其他生物电势测量设计的低噪声24位模数转换器(ADC),为医疗设备制造商提供了一个高性能、可靠且经济的解决方案。

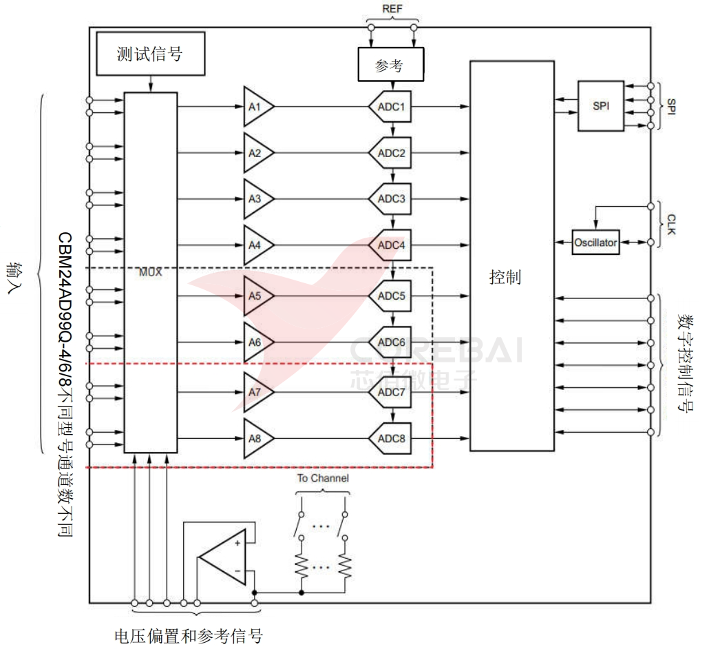
系统框图

图片

产品特性

  • 多达8个低噪声可编程增益放大器(PGAS)和8个高分辨率同时采样ADCS

  • 输入参考噪声:4μVPP@150HzBW,G=6(CBM24AD98Q),1μVPP@70Hz BW(CBM24AD99Q)

  • 输入偏置电流:200pA(CBM24AD98Q),300 pA(CBM24AD99Q)

  • 数据速率:250SPS至32kSPS(CBM24AD98Q),250SPS至16kSPS(CBM24AD99Q)

  • 共模抑制比:-115dB(CBM24AD98Q), -110dB(CBM24AD99Q)

  • 单极或双极电源供电:

         模拟: 2.7V to 5.5V(CBM24AD98Q)

         数字: 1.7V to 3.3V(CBM24AD98Q)

         模拟: 4.5V to 5.5V(CBM24AD99Q)

         数字: 1.8V to 3.3V(CBM24AD99Q)

  • 内置偏置驱动放大器、导联脱落检测、测试信号

  • 内置振荡器

  • 内部或外部参考

  • 灵活的断电和待机模式

  • 与ADS1298,ADS1299引脚兼容和程序兼容

  • SPI兼容串行接口

  • 工作温度范围: –40℃至+85℃

产品优势

卓越的噪声性能:

CBM24AD9X系列具有多达8个低噪声PGA和8个高分辨率同步采样ADC,输入参考噪声低至4μVPP(150Hz带宽,增益为6),确保在各种环境下都能进行精确测量。这样卓越的噪声性能使其在低信号测量环境中依然能够提供高质量的数据,为医疗诊断提供可靠的依据。

灵活的设计与应用:

该芯片支持单极或双极电源,具有可编程增益(1、2、4、6、8、12或24),数据速率从250SPS至32kSPS可调,适应不同的测量需求。这种灵活性使得CBM24AD9X系列能够广泛应用于各种医疗设备,从便携式心电图仪到高端病人监护系统。

内置多种功能,降低系统复杂性:

内置右腿驱动放大器、导联检测、测试信号、威尔逊中心端子和增强电极电路,简化了设计过程,节省了开发时间和成本。工程师可以利用这些集成功能,快速开发和部署高性能的生物电势测量系统,而无需额外的外部组件。

兼容性强:

CBM24AD9X系列与ADS1298引脚和程序兼容,方便现有系统的升级换代。对于已经采用ADS1298的系统,用户可以轻松升级到CBM24AD9X系列,从而受益于其更优越的性能和功能,而无需进行大量的硬件和软件改动。

可靠的性能:

工作温度范围为–40°C至+85°C,适用于各种严苛环境下的应用。不论是在极端寒冷的环境,还是在高温高湿的条件下,CBM24AD9X系列都能稳定运行,保证设备的可靠性和持久性。

典型应用

心电图(ECG):

CBM24AD9X系列的高分辨率和低噪声特性,使其成为心电图设备的理想选择。它能够捕捉细微的心电信号变化,帮助医生准确诊断心脏疾病。其高数据速率(最高32kSPS)和高增益设置(高达24倍),可以提供清晰的心电图波形,确保检测到每一个心脏周期中的微小变化。

肌电图(EMG)和脑电图(EEG):

在肌电图和脑电图应用中,CBM24AD9X系列同样表现出色。其多通道同步采样能力(最多8通道),可以同时记录多个肌肉或脑部电活动信号,为神经科和运动医学提供详细的数据支持。低至4 μVPP的噪声水平,使其能够准确捕捉低强度的生物电信号,确保数据的高精度和高可靠性。

病人监护设备:

CBM24AD9X系列可以集成到各种病人监护设备中,实时监测病人的生命体征,提供准确的生理参数,保障病人的安全。例如,心率、呼吸率、血氧饱和度(SpO2)、血压等关键指标都可以通过CBM24AD9X系列的高精度ADC进行精确测量。其多通道设计和低功耗特点,特别适合用于便携式监护设备和长期监测系统。

动态心电图:

其高数据速率和低功耗设计,特别适用于动态心电图设备,能够长时间记录病人的心电信号,提供全面的心脏健康数据。CBM24AD9X系列在记录动态心电图时,可以确保连续、无间断的数据采集,提供详细的心脏活动分析,帮助医生识别和诊断潜在的心脏问题。

生命体征监测:

CBM24AD9X系列在生命体征监测中发挥重要作用。其高分辨率和多通道设计,可以同时监测心率、呼吸率、血压、血氧饱和度等多个生理参数,提供全面的健康状态评估。其内置的右腿驱动放大器和导联检测功能,确保信号的稳定性和可靠性,减少测量误差和干扰。

AED设备:

在自动体外除颤器(AED)设备中,CBM24AD9X系列提供高精度的心电信号检测,帮助设备准确判断心律失常并提供及时的电击治疗。其快速响应和高精度的特点,确保在紧急情况下能够提供可靠的数据支持,挽救病人的生命。

双谱指数(BIS)监测:

BIS监测用于麻醉深度评估,CBM24AD9X系列能够准确记录脑电活动,提供实时的BIS指数,帮助麻醉师调整麻醉剂量,确保病人的安全和舒适。其高精度和低噪声特点,使其在复杂的手术环境中依然能够提供清晰的脑电信号。

睡眠监护仪:

CBM24AD9X系列在睡眠监护中同样表现出色。它能够记录心率、呼吸率、脑电波等多种生理信号,提供全面的睡眠质量评估,帮助医生诊断睡眠障碍并制定治疗方案。其高分辨率和低功耗设计,特别适合用于便携式和家庭使用的睡眠监护设备。

专注创新,成就未来

芯佰微电子致力于提供高品质的集成电路和解决方案。凭借CBM24AD9X系列的推出,我们进一步强化了在医疗电子领域的领先地位。CBM24AD9X系列不仅提高了医疗设备的精度和可靠性,还大幅降低了系统的功耗和总体成本,为医疗器械的创新发展注入了新的动力。

无论是心电图仪还是复杂的多参数病人监护系统,CBM24AD9X系列都能提供卓越的性能和可靠性,帮助医疗专业人员更好地监测和诊断病人的健康状况。选择CBM24AD9X系列,就是选择了精确、稳定和高效。

如需了解更多关于CBM24AD9X系列的信息,或是获取样品和技术支持,请访问芯佰微电子官网,或联系我们的销售团队。我们期待与您一起,共同推动医疗科技的进步与发展。

公众号名片关注二维码.jpg

分享到:0

010-62106066

( 周一至周五 9:00 - 18:00 )

北京市海淀区丰豪东路9号2号楼D座704-705

sales@corebai.com

关注微信公众号

© Copyright 芯佰微电子(北京)有限公司 京ICP备15051729号